公司简介
        组织机构
        招贤纳士
      螺杆式制冷压缩机
      活塞式氨制冷压缩机系列
      170系列活塞式氨制冷压缩机
      125系列活塞式氨制冷压缩机
      100系列活塞式氨制冷压缩机
      100系列活塞式冷凝压缩机
      氨制冷成套设备配套系列
      屏蔽氨泵
      氨制冷配套设备
      钢制氨用阀门
      隧道式单冻机
      蒸发式冷凝器
      吊顶(落地)式冷风机
      船用活塞式制冷压缩机系列
      船用活塞式制冷压缩机
      船用制冷配套设备系列
      船用制冷配套设备
      活塞式氨制冷机维修配件系列
      170系列活塞式氨机维修配件
      125系列活塞式氨机维修配件
      100系列活塞式氨机维修配件
在线留言
 
制冷设备
        注意:仅供参考 数据如有变动恕不另行通知
 船用活塞式制冷压缩机组
型 号:  CJZT810C
品 名:  船用活塞式制冷压缩机组
类 别:  船用活塞式制冷压缩机
缸 数:  8
缸 径:  100
冷 量:  54.4KW
转 数:  960
排气量:  高90.4m³/h 低272m³/h
  产 品 介 绍        注意:产品技术说明与比较仅限于与本公司历代产品比较,不针对同行业产品及非本公司产品,所有说明及数据仅供参考,请以实际为准!
应用范围:
船用活塞式制冷压缩机在冷凝温度≤40℃,蒸发温度单级在+5℃至-30℃、双级在-25℃至-45℃的范围内应用于船上的食品低温加工、冷藏运输及船上的空气调节。
结构特点:
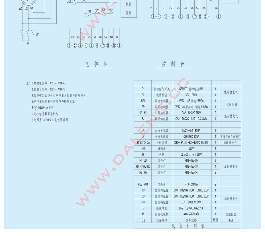
船用活塞式制冷压缩机组中的压缩机有单级、单机双级两种机型,均属高速、多缸、逆流式压缩机,设有能量调节装置,可实现无负荷启动,压缩机还设有装放油阀,可在运转中加油。压缩机组由压缩机、电动机、控制台等组成,其中,单机双级机型还设有中间冷却器。所有机组均设有高效油分离器和自动回油装置。这些部件均安装在同一公共机座上。控制台上装有高、中压、油压继电器,保护机器运行安全可靠。船用机组均经摇摆台试验,可确保在航行中的可靠运行。
  技 术 数 据        注意:所有数据及说明仅供参考,请以实际产品为准!如遇数据变更,恕不另行通知!

[打印本页] [返回上一页] 浏览量:1547
 
CopyRight © 2026 DAleng.cc All Rights Reserved 版权所有 大连大冷冷冻机设备           公司专业大连冷冻设备,大连制冷设备,大连冷库设备,大冷,制冷配件,冷冻机配件,氨活塞机配件